L'Espace Forums de "La Traction Universelle"

Nous sommes le Mar 05 Mai, 2026- 17:09

Heures au format UTC + 1 heure [ Heure d’été ]




Poster un nouveau sujet Répondre au sujet  [ 5 messages ] 
Auteur Message
 Sujet du message: Feux de détresse
MessagePosté: Mar 28 Fév, 2023- 17:54 
Hors ligne
Membre TU

Inscription: Jeu 27 Jan, 2022- 18:28
Messages: 9
Localisation: Rhône
Bonjour à tous,

J'envisage d'installer des feux de détresse sur ma 11 (en éspérant n'avoir jamais à s'en servir bien sûr!).
Est ce que quelqu'un a déjà réalisé ce montage? J'ai trouvé du matériel en 6v, mais je ne sais pas trop comment cela se branche :roll: ...
Mes clignotants fonctionnent avec une minuterie

Bertrand

_________________
Membre TU Rhodanie
Une 11 B 1951 malle plate et une CX Athena 1982


Haut
 Profil Envoyer un e-mail  
 
 Sujet du message: Re: Feux de détresse
MessagePosté: Mar 28 Fév, 2023- 18:26 
Hors ligne
Membre TU
Avatar de l’utilisateur

Inscription: Jeu 16 Avr, 2020- 09:20
Messages: 1172
Localisation: région Gruyère (Suisse)
Bonsoir,
certainement pas mal de modifs à faire avec la minuterie, probablement même devoir la supprimer, ce serait dommage.

J'ai une balise magnétique, simple et efficace ne demandant aucune modification du véhicule. Les fréquences et le mode de clignotement sont réglables, bien visible même en plein jour.
Bien rangée sur la tablette sous la boite à gants, à ce jour elle n'a jamais du être utilisée ;)
Fichier(s) joint(s):
Balise.jpg
Balise.jpg [ 31.06 Kio | Vu 3754 fois ]

_________________
Membre : TU Rhodanie & AFC + Club Citroën 34-57
3 Tractions : Victorine 7C 38 et Alphonsine 11BL 38
11A 36 Ascendance inconnue
1 Bicylindre : 2CV 6 Spécial "Canard-Vert" 87


Haut
 Profil Envoyer un e-mail  
 
 Sujet du message: Re: Feux de détresse
MessagePosté: Mar 28 Fév, 2023- 18:51 
En ligne
Membre TU
Avatar de l’utilisateur

Inscription: Lun 23 Mai, 2016- 11:37
Messages: 440
Localisation: Quéven. 56
Bonjour Bertrand;

J'ai réalisé cette installation pour me rendre en sécurité améliorée en 2018 à Magny-Cours.

J'ai consulté le fournisseur Classic Auto Elec, et j'ai passé commande de:
+ 4 feux clignotants à Led, installés sur les pare-chocs
+ 1 relais 6V
+ 1 Bouton poussoir Warning
+ 1 commodo de clignotant
Faut ensuite tirer un peu de câble, quelques cosses, un peu de patience !! :)

Lorsque je fais de la route, j'utilise ce commodo et ces clignotants, beaucoup plus visibles que les flèches installées.

Voilà en synthèse.
Bon travail.

_________________
Gwenran 56
11 BL 1950 et 2CV AZU 1958


Haut
 Profil Envoyer un e-mail  
 
 Sujet du message: Re: Feux de détresse
MessagePosté: Mer 01 Mar, 2023- 10:06 
Hors ligne
Membre TU
Avatar de l’utilisateur

Inscription: Sam 22 Juil, 2017- 11:22
Messages: 139
Localisation: Désertines (03)
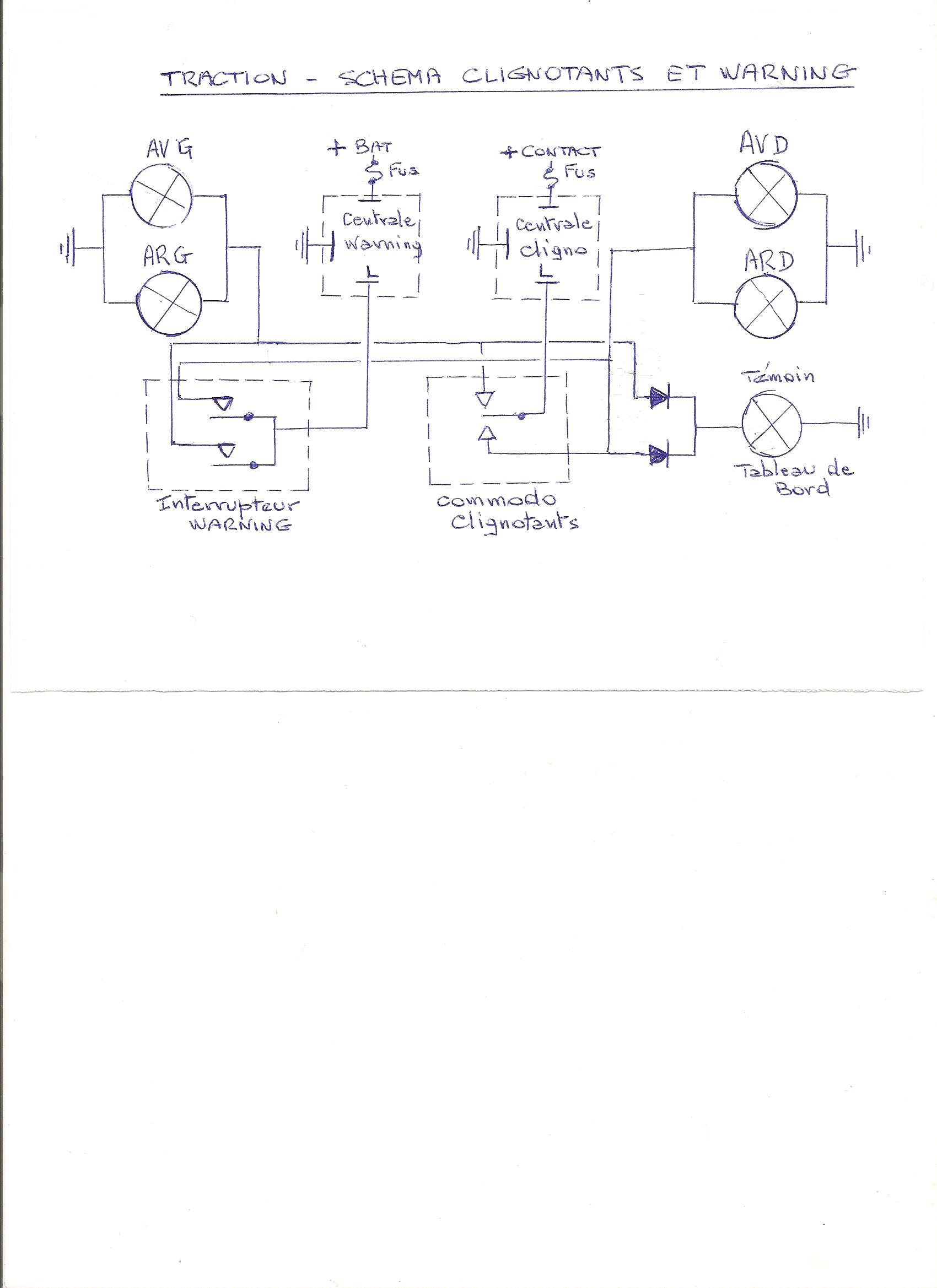
Bonjour,
Sur ma traction, j'ai installé une seconde centrale clignotante pour les feux de détresse et réalisé le schéma ci-dessous:

Fichier(s) joint(s):
Schéma Cligno-Warning.jpeg
Schéma Cligno-Warning.jpeg [ 180 Kio | Vu 394 fois ]

_________________
11BL 1955

La curiosité n'est pas un défaut quand elle est dictée par la passion...


Haut
 Profil Envoyer un e-mail  
 
 Sujet du message: Re: Feux de détresse
MessagePosté: Mer 01 Mar, 2023- 17:54 
Hors ligne
Membre TU

Inscription: Jeu 27 Jan, 2022- 18:28
Messages: 9
Localisation: Rhône
Bonjour à tous,

Merci pour toutes ces infos!

Je vais voir avec Auto Elec; avec un peu de chance ils me confirmeront les branchements. J'ai déjà mis des LED sur mes clignotants existants, c'est un peu plus visible que les lampes à incandescence d'origine.

Bertrand

_________________
Membre TU Rhodanie
Une 11 B 1951 malle plate et une CX Athena 1982


Haut
 Profil Envoyer un e-mail  
 
Afficher les messages postés depuis:  Trier par  
Poster un nouveau sujet Répondre au sujet  [ 5 messages ] 

Heures au format UTC + 1 heure [ Heure d’été ]


Qui est en ligne

Utilisateurs parcourant ce forum: Aucun utilisateur enregistré et 54 invités


Vous ne pouvez pas poster de nouveaux sujets
Vous ne pouvez pas répondre aux sujets
Vous ne pouvez pas éditer vos messages
Vous ne pouvez pas supprimer vos messages
Vous ne pouvez pas joindre des fichiers

Rechercher:
Aller à:  
--/
--
Propulse par phpBB et MuL pour "La Traction Universelle" © depuis le 23 octobre 2007; 2000, 2002, 2005, 2007, 2008, 2014 phpBB Group
Traduction par: phpBB-fr.com